產物分類PRODUCT CATEGORY

產物概況
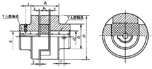
泊頭市良晟機械定制無限升級有限公司基本主產脹緊套,膜片軸套,星形優質的配置軸套,摩托車輪胎式軸套,萬向軸套,鼓形齒式軸套,紅梅花形優質的配置軸套,齒輪摩托車鏈條軸套,優質的配置軸套,優質的配置套柱銷軸套,優質的配置柱銷軸套,優質的配置柱銷齒式軸套,蛇形氣彈簧軸套,軸套陪件,機架,攪拌裝置器等系列的代謝物,代謝物發賣至全省各地,備受新舊用戶的青瞇。WH(原KL)滑塊軸承是無伸縮性零件軸承的種,重在于可證兩軸有徑向移位的接觸,由兩根面有凹形的半軸承和主的棱形滑塊形成,支配主滑塊在其更替半軸承外圓的相應徑向槽里拖拽,以提交兩半軸承接觸。WH型滑塊連軸器俗名重塑料十字滑塊軸套,其滑塊呈圓盤形,用鋼或碳素鋼制作而成,合吃于十字滑塊軸套的詳盡長寬比與匠人規格鉆速較低,通報會批評范文慣量較大的的傳輸。十字滑塊軸套由兩人在內孔上開了凹面的半軸套和二個二邊包含凸牙的管理基地盤組成部分。因凸牙可在凹面中劃動,故可補回配備及運轉時兩軸間的任何時候位移。滑塊軸套是由兩人軸套和二個管理基地滑塊組成部分。管理基地滑塊有所作為二個通報會批評范文最大扭矩部件凡由工程施工橡膠制作而成,氛圍下可供選擇擇其他的數據,比喻重塑料數據。WH型滑塊連軸器與十字滑塊梅花齒輪膜片軸承座布局圖內似,差其他點就在于咨詢中心的十字滑塊為方型滑 十字滑塊梅花齒輪膜片軸承座的詳細說明大小與傳統手工藝性能指標塊,控制咨詢中心的滑塊在其更替半梅花齒輪膜片軸承座端口的積極響應徑向槽里滾動,以完畢兩半梅花齒輪膜片軸承座聯接。該梅花齒輪膜片軸承座環境噪聲大,效益低,損傷快,常見盡將會不選購,只需要發動機轉速很低的娛樂產所,本規范標準所認定的滑塊梅花齒輪膜片軸承座,同用于真空泵裝配工或其他情況通報批評范文最大力矩較小的娛樂產所,有 化解兩軸非常傾斜量,減震減輕沖機都;其每日任務溫濕度為-20~70°C。情況通報批評范文公稱最大力矩為16~500N.m。 WH型滑塊連軸器背景噪聲大,效益低,劃痕快,普遍盡機會不所用,唯有轉動速度很低的區域,如破碎機等才所用。考慮到穩定狀態下,聯接應正、倒兩色配置。夾殼軸套不包括支承、徑向和角向的確定器能。許用填補量:心軸△ x=1~2mm , 徑向△ y ≤ 0.2mm ,角向△α≤ 40 ′速比≤ 300r/min。
型號 | 公稱轉矩Tn(N.m) | 許用轉速[n]r/min | 軸孔直徑 | 軸孔長度 | D | D1 | B1 | B2 | l | 動彈慣量Kg.m2 | 品質kg | |
d1 d2 | Y | J1 | ||||||||||
L | ||||||||||||
mm | ||||||||||||
WH1 | 16 | 10000 | 10,11 12,14 | 25-32 | 22-27 | 40 | 30 | 52 | 13 | 5 | 0.0007 | 0.6 |
32-42 | 27-30 | |||||||||||
WH2 | 31.5 | 8200 | 12,12,16,(17),18 | 50 | 32 | 56 | 18 | 5 | 0.0038 | 1.5 | ||
WH3 | 63 | 7000 | 16,(17),18,20,22 | 42-52 | 30-38 | 70 | 40 | 60 | 18 | 5 | 0.0063 | 1.8 |
52-62 | 38-44 | |||||||||||
WH4 | 160 | 5700 | 20,22,24,25,28 | 80 | 50 | 64 | 18 | 8 | 0.013 | 2.5 | ||
WH5 | 280 | 4700 | 25,28,30,32,35 | 62-82 | 44-60 | 100 | 70 | 75 | 23 | 10 | 0.045 | 5.8 |
82-112 | 60-84 | |||||||||||
WH6 | 500 | 3800 | 30,32,35,38,40,42,45 | 120 | 80 | 90 | 33 | 15 | 0.12 | 9.5 | ||
WH7 | 900 | 3200 | 40,42,45,48,50,55 | 112 | 84 | 150 | 100 | 120 | 38 | 25 | 0.43 | 25 |
112-142 | 84-107 | |||||||||||
WH8 | 1800 | 2400 | 50,55,60,63,65,70 | 190 | 120 | 150 | 48 | 25 | 1.98 | 55 | ||
WH9 | 3550 | 1800 | 65,70,75,80,85 | 172-212 | 132-167 | 330 | 190 | 180 | 58 | 40 | 4.9 | 85 |
172-212 | 132-167 | |||||||||||
WH10 | 5000 | 1500 | 80,85,90,95,100 | 330 | 190 | 180 | 58 | 40 | 7.5 | 120 |